https://www.youtube.com/watch?v=2g-gKLMLnh8&t=19s
Here, we’ve compiled a list of FAQs for the RT97L to address your queries and ensure you have a thorough understanding of your new device.
If you’ve recently purchased the Retevis RT97L 22W Repeater, you’re likely eager to get the most out of your new device. We’ve compiled a list of FAQs to help you navigate common issues and optimize your experience.
- How do I connect the RT97L repeater to a Raspberry Pi?
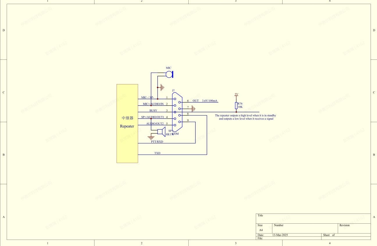
To connect the RT97L to a Raspberry Pi, you’ll use the DB-9 interface provided on the device. While we do not offer an official solution or technical support for this, the pinout for the DB-9 interface is available for those looking to explore this connection on their own. We encourage customers to explore community forums or other open-source resources for guidance on extending the functionality of their RT97L.

- DB-9 Interface for Raspberry Pi
The DB-9 port allows advanced users to connect the RT97L to a Raspberry Pi for expanded functionalities (e.g., networking). Key notes:
Pin 6: Provides 3.6V/100mA (protected by a 33Ω resistor). Replace with 0Ω for 1A output (risk of damage if short-circuited).
Pin 3: Open-drain output—requires an external pull-up resistor.
- Power Supply
Q: Can I use a solar panel to power my RT97L?
A: While the RT97L does not support direct connection to a solar panel, you can use a solar controller and a battery bank to ensure a stable voltage output between 15V and 24V. The device can handle up to 30V peaks, but prolonged exposure to voltages above 24V may damage the unit. For backup power, only a 3-cell lithium battery (approximately 12.6V) is supported.
- Software and Firmware
Q: How do I update the firmware on my RT97L?
A: Updating the firmware is essential for maintaining optimal performance. You can obtain the latest tools, firmware, and operating instructions from our dedicated customer support on the Retevis official website or the Amazon product page. If you encounter issues during installation, ensure your antivirus software is disabled.
- Additional Customizations
Q: Can I install a temperature sensor or a cooling fan on the RT97L?
A: For temperature monitoring, it’s best to place a sensor near the antenna head. As for installing a cooling fan, while the device does not have a dedicated fan slot, you can add one with a temperature control set to activate at 50°C.
We hope the FAQs we’ve provided will be helpful to you.
Retevis RT97L is designed for reliability, but if you need a fully customized repeater (e.g., specific frequencies or offsets), contact us to discuss your requirements!
Views: 172
